or
owners manual Audi A6 Allroad
owners manual Audi A6 Allroad - year of production: 1999, 2000, 2001, 2002, 2003, 2004, 2005 - Audi A6 Allroad C5 Quattro wiring diagrams EN
Document:
pdf (12.84 MB) 76 pages
all ratings: 1
average rating: 4
text version of content this owner's manual page
from owners manual to the vehicle Audi A6 Allroad, year of production 1999 - 2005:
2004 Audi Allroad Quattro
2004 SYSTEM WIRING DIAGRAMS Audi - Allroad
www.Mitchell-Auto.ru
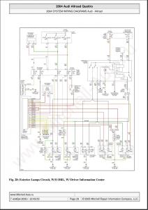
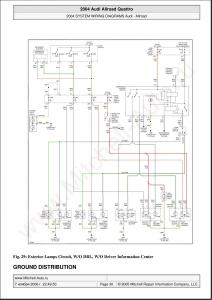
Fig. 30: Ground Distribution Circuit (1 of 2)
www.Mitchell-Auto.ru
7 ɧɨября 2006 г. 22:49:53Page 31 © 2005 Mitchell Repair Information Company, LLC.

Download PDF
Click here to download a pdf file with an instruction manual for Audi A6 Allroad
year of production from: 1999

Do you prefer pdf format?
Find out how to download
Enter the code to download PDF file:
All pages in one PDF file!
How to get the code?
It's very simple! Just pay through a secure PayPal payment.
It will take no longer than a few minutes.
You will receive the code immediately after payment.
The code will be displayed on the screen and will be sent to you by e-mail address.
:
Audi A6 Allroad C5 Quattro wiring diagrams
pages 28 - 34
Audi A6 Allroad C5 Quattro wiring diagrams
page 31 / 76
this site is maintained by advertising - for view instructions, turn off ad blocking in your browser

Download PDF
Others owner's manuals for this model: