or
owners manual Alfa Romeo 145 146
owners manual Alfa Romeo 145 146 - year of production: 1994, 1995, 1996, 1997, 1998, 1999, 2000, 2001 - Alfa Romeo 145 146 instrukcja obslugi PL
Document:
pdf (23.18 MB) 290 pages
all ratings: 0
average rating: 5

Download PDF
Click here to download a pdf file with an instruction manual for Alfa Romeo 145 146
year of production from: 1994

Do you prefer pdf format?
Find out how to download
Enter the code to download PDF file:
All pages in one PDF file!
How to get the code?
It's very simple! Just pay through a secure PayPal payment.
It will take no longer than a few minutes.
You will receive the code immediately after payment.
The code will be displayed on the screen and will be sent to you by e-mail address.
:
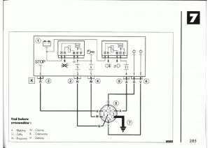
Alfa Romeo 145 146 instrukcja obslugi
pages 274 - 280
Alfa Romeo 145 146 instrukcja obslugi
page 277 / 290
this site is maintained by advertising - for view instructions, turn off ad blocking in your browser

Download PDF
Others owner's manuals for this model: