or
owners manual Ford Mustang
owners manual Ford Mustang - year of production: 1993, 1994, 1995, 1996, 1997, 1998, 1999, 2000, 2001, 2002, 2003, 2004 - Ford Mustang IV 4 owners manual EN
Document:
pdf (3.37 MB) 332 pages
all ratings: 0
average rating: 5
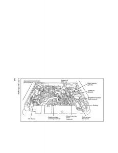
text version of content this owner's manual page
from owners manual to the vehicle Ford Mustang, year of production 1993 - 2004:
File:15rcsvm.ex
Update:Thu Mar 28 14:48:54 1996
[SV03600( ALL)02/95] RWARNING
*
Do not start your engine with the air
cleaner removed and do not remove it
while the engine is running.
% [SV03650( ALL)03/95] Opening the Hood
*
[SV03800( ALL)03/95] 1. Inside the vehicle, pull the hood release
located under the lower left corner of the
instrument panel.
[SV04000( ALL)03/95] 2. Go around to the front of the vehicle, and
release the auxiliary catch that is located
under the front edge of the hood at the
center of the vehicle.
[SV04085(M )05/95]
one third page art:0011350-A
The auxiliary catch under the front edge of the hood
[SV04100(M )01/89] 3. Lift the hood and secure it with the prop
rod using only the hole marked “PROP”.
[SV04300(M )01/89] Whenever you close the hood, make sure the
prop rod is secured in its retainer and that the
hood latches securely.
[SV04450( ALL)01/95] NOTE: Apply lubricant to the hood latch at
* six-month intervals to maintain smooth
and trouble-free operation.
238

Download PDF
Click here to download a pdf file with an instruction manual for Ford Mustang
year of production from: 1993

Do you prefer pdf format?
Find out how to download
Enter the code to download PDF file:
All pages in one PDF file!
How to get the code?
It's very simple! Just pay through a secure PayPal payment.
It will take no longer than a few minutes.
You will receive the code immediately after payment.
The code will be displayed on the screen and will be sent to you by e-mail address.
:
Ford Mustang IV 4 owners manual
pages 229 - 235
Ford Mustang IV 4 owners manual
page 232 / 332
this site is maintained by advertising - for view instructions, turn off ad blocking in your browser

Download PDF
Other available language versions of this manual:
Ford Mustang IV 4 manuel du proprietaire FR
show the owner's manual

pdf - 2.25 MB